Т10-80-7


Тиристор Т10-80-7 силовой, полупроводниковый, кремниевый, низкочастотный, диффузионный p-n-p-n, штыревого исполнения с жёстким выводом.
Предназначен для работы в силовых цепях постоянного и переменного тока частотой до 500 Гц и силе тока не более 80 А.
Тиристор силовой Т10-80-7 применяется в качестве ключевых элементов в преобразователях электрической энергии, бесконтактных коммутационных устройствах, а также в цепях постоянного и переменного тока различного оборудования общего назначения.
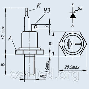
Выпускаются в металлостеклянном корпусе штыревой конструкции с жесткими выводами.
Анодом является основание, маркируется цифро-буквенным кодом, полярность выводов указывается на корпусе тиристора.
Охлаждение воздушное естественное.
Тиристор допускает эксплуатацию при температуре окружающей среды от -50 до +60 °С.
Силовой тиристор Т10-80 выпускается в климатических исполнениях «УХЛ» категории размещения «2» и «Т» категории размещения «3» по ГОСТ 15150-69.
Допускает воздействие синусоидальной вибрации в диапазоне частот 1- 100 Гц с ускорением не более 49 м/с2 и многократные удары длительностью 2-15 мс с ускорением не более 147 м/с2.
Габаритные размеры:
- общая длина - 67 мм;
- длина шпильки - 15 мм;
- резьба - М10.
Масса тиристора не более 45 г.
Категория качества: «ОТК».
Зарубежный аналог тиристоров типа Т10-80: 2SF122.
Расшифровка маркировки силового тиристора:
Т10-80-7
Т - тиристор низкочастотный;
10 - порядковый номер конструктивного исполнения;
80 - число, равное значению предельного тока в открытом состоянии в амперах;
7 - число, обозначающее класс по повторяющемуся напряжению в сотнях вольт.
Технические характеристики тиристоров низкочастотных штыревого исполнения Т10-80:
| Наименование тиристора |
Максимально допустимые значения параметров при Тп=25°С | Значения параметров при Тп=25°С | Tj | ||||||||||||||
|---|---|---|---|---|---|---|---|---|---|---|---|---|---|---|---|---|---|
| IT(AV) | UDRM/URRM | IDRM/IRRM | ITSM | rT | (duD/dt)crit | (diT/dt)crit | UTM | UT(TO) | IL | IH | IGT | UGT | td | tq | Rthjc | ||
| А | В | мА | А | МОм | В/мкс | А/мкс | В | В | мА | мА | мА | В | мкс | мкс | °С/Вт | °С | |
| Т10-80-4 | 80 | 400 | 6 | 1200 | - | 20…1000 | 40…200 | 1,75 | - | 210 | 120 | 150 | 4 | 4 | 70…150 | 0,35 | -60…+125 |
| Т10-80-5 | 80 | 500 | 6 | 1200 | - | 20…1000 | 40…200 | 1,75 | - | 210 | 120 | 150 | 4 | 4 | 70…150 | 0,35 | -60…+125 |
| Т10-80-6 | 80 | 600 | 6 | 1200 | - | 20…1000 | 40…200 | 1,75 | - | 210 | 120 | 150 | 4 | 4 | 70…150 | 0,35 | -60…+125 |
| Т10-80-7 | 80 | 700 | 6 | 1200 | - | 20…1000 | 40…200 | 1,75 | - | 210 | 120 | 150 | 4 | 4 | 70…150 | 0,35 | -60…+125 |
| Т10-80-8 | 80 | 800 | 6 | 1200 | - | 20…1000 | 40…100 | 1,75 | - | 210 | 120 | 150 | 4 | 4 | 100…150 | 0,35 | -60…+125 |
| Т10-80-9 | 80 | 900 | 6 | 1200 | - | 20…500 | 40…70 | 1,75 | - | 210 | 120 | 150 | 4 | 4 | 150 | 0,35 | -60…+125 |
| Т10-80-10 | 80 | 1000 | 6 | 1200 | - | 20…500 | 40…70 | 1,75 | - | 210 | 120 | 150 | 4 | 4 | 150 | 0,35 | -60…+125 |
| Т10-80-11 | 80 | 1100 | 6 | 1200 | - | 20…500 | 40…70 | 1,75 | - | 210 | 120 | 150 | 4 | 4 | 150 | 0,35 | -60…+125 |
| Т10-80-12 | 80 | 1200 | 6 | 1200 | - | 20…500 | 40…70 | 1,75 | - | 210 | 120 | 150 | 4 | 4 | 150 | 0,35 | -60…+125 |
Условные обозначения электрических параметров низкочастотных тиристоров:
• IT(AV) - Максимально допустимый средний ток в открытом состоянии.
• UDRM - Максимальное повторяющееся импульсное напряжение в закрытом состоянии.
• URRM - Максимальное повторяющееся импульсное обратное напряжение.
• IDRM - Повторяющийся импульсный ток в закрытом состоянии.
• IRRM - Повторяющийся импульсный обратный ток.
• ITSM - Ударный ток в открытом состоянии.
• rT - Динамическое сопротивление тиристора.
• (dVD/dt)crit - Критическая скорость нарастания напряжения в закрытом состоянии.
• (diT/dt)crit - Критическая скорость нарастания тока в открытом состоянии.
• UTM - Импульсное напряжение в открытом состоянии.
• UT(TO) - Пороговое напряжение тиристора.
• IL - Ток включения тиристора.
• IH - Ток удержания тиристора.
• IGT - Отпирающий постоянный ток управления.
• UGT - Отпирающее постоянное напряжение управления.
• td - Время задержки включения.
• tq - Время выключения.
• Rthjc - Тепловое сопротивление переход-корпус тиристора.
• Tj - Температура перехода тиристора.
| Основні | |
|---|---|
| Країна виробник | Україна |
| Максимальний зворотний струм | 80 |
| Тип тиристора | Діак |
| Максимальна імпульсна напруга в закритому стані | 1000 |
| Матеріал корпусу | Метал |
| Охолодження | Примусове |
| Спосіб монтажу | Різьбовий |
| Користувальницькі характеристики | |
| Технічна інформація: | завантажити PDF файл |
| VDRM repetitive peak off-state voltage: | 1200В |
| RMS on-current state | 80А |
- Ціна: 375,30 ₴








